|
Sensor
|
Photo Interrupter
|
|
목표
|
Photo Interrupter의 개요와 사용법에 대해 알아봄
|
1. Photo Interrupters
- 발광 다이오드와 포토 트랜지스터를 조합한 것으로, 발광 다이오드가 내뿜는 빛을 포토 트랜지스터가 수광해서 트랜지스터를 작동시키는 반도체 소자
- 포토 트랜지스터에 빛이 들어오거나 안 들어 오는것으로 동작 유무를 알 수 있음
- 아래는 KODENSHI(광전자) SG220 기준으로 설명 합니다.

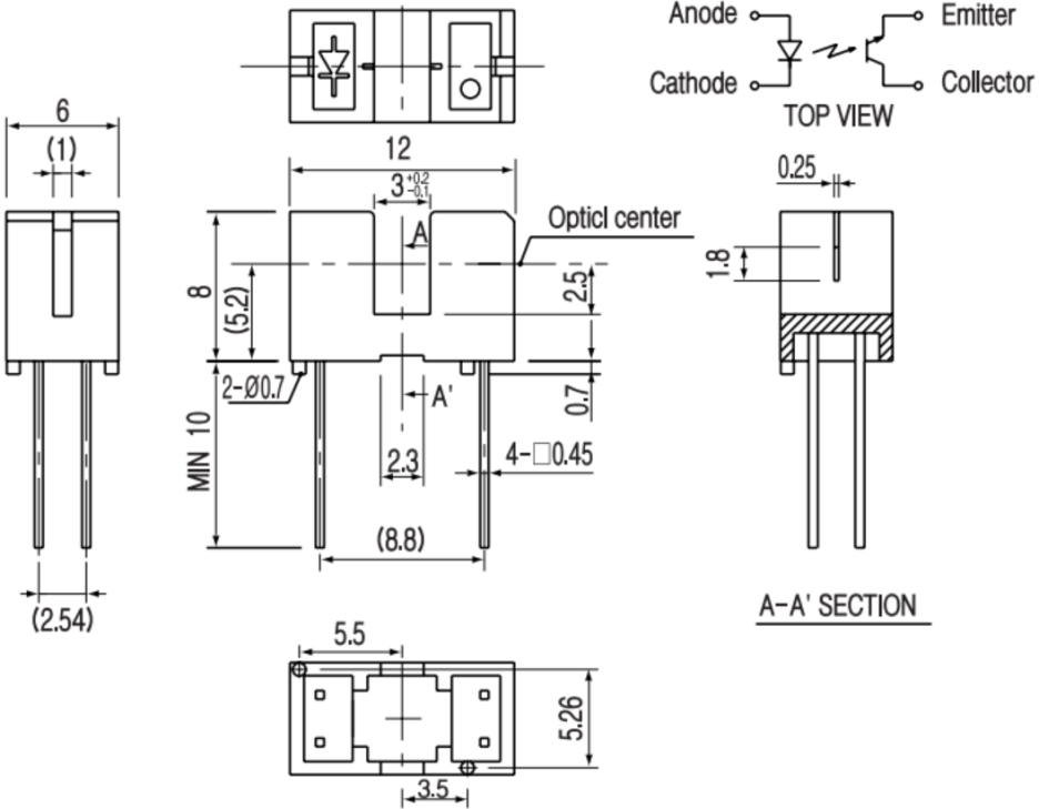
2. Dimensions
- 보통 아래의 모양. Gap은 3mm, Slit(빛이 들어가는 부분)은 0.25mm이다.

- slit이 가릴때 빛의 변화량이 어떤지 스펙시트에 표기되있다.

3. Specifications
(1) Maximum Ratings

(2) Electro-Optical Charateristics
복잡해 보이지만 다음 한 가지만 유의하면 된다.

- IF=20mA(VF=1.2V)
발광 다이오드에 흐르는 전류가 IF=20mA이어야, VF=1.2V가 걸린다는 뜻이다.
IF=20mA를 맞춰주는 것이 좋은데, Peak wavelength가 IF=20mA에서 나온다고 되어있다.
- Output의 Collector dark current가 있다고만 알아두자. 모든 트랜지스터는 Dark current가 흐른다.
그 정도가 미미해서 무시하는 것이지만 아날로그 회로를 어떻게 구성하느냐에 따라 문제가 될 수도 있다.
3. 회로 구성 및 설명
- 발광다이오드의 불빛이 포토 트랜지스터에 들어오면 : Output 출력은 4.5V
- 발광다이오드의 불빛이 포토 트랜지스터에 들어오지 못하면(slit이 가려지면) : Output 출력은 0.016V
가 출력 된다.
이 값을 ADC하여 변화량을 감지 하기도 한다.

(1) Output을 ADC로 변환하는 회로

(2) Output을 GPIO로 바로 받기도 한다. 이때 TTL의 High(VCC*1.7), Low(VCC*0.3) 마진을 염두에 두자.
4. 유의점
- 아래와 같이 slit을 막을때 Center점을 설계시 참고해야 한다.

- 스펙시트에서 발광 다이오드가 요구하는 Typical 전류만 맞춰주면 쉽게 사용할 수 있다.
※ 참고로, 포토 인터럽트는 햇빛(가시광선)의 영향을 받습니다.
Why? 햇빛에는 발광 다이오드에서 나오는 빛과 파장이 같은 빛이 있기 때문
- 암막 조건에서 사용해야 함
- 햇빛에서 사용하려면 필터링 등을 사용해야 합니다.
'전자 부품 > SENSOR' 카테고리의 다른 글
| SENSOR - Micro(Limit) Switch(리미트 스위치) (0) | 2025.03.16 |
|---|