1. BLDC MOTOR
브러시가 없는 DC 모터
브러시(brush)는 움직이는 부품에 지속적으로 전기를 공급하기 위한 부품이다. 일반 DC모터 내부는 전자석으로 구성된 회전자쪽에 전기를 계속 공급하기 위해 쇠막대 같은 부품이 접촉하고 있는데 그 부품이 브러시이다. 브러시리스 모터는 이걸 뒤집어서 영구자석쪽이 회전자를 담당하기 때문에 브러시가 없이도 전자석에 전기를 계속 공급할 수 있는 것이다. 따라서 접점이 일으키는 마찰력으로 인한 동력 손실 및 마찰 자체로 인한 내구도 문제가 없는 장점도 가지고 있다. 비슷한 이유로 소음도 더 적다.
브러시리스 모터는 브러시드 모터에서 회전자가 브러시와 접촉하면서 자동으로 발생하는 극성 전환 과정이 없기 때문에 직류전원을 넣는 것만으로는 회전하지 않는다(교류로는 가능). 결국 직류전원을 사용해서 회전을 시키려면 내장이든 외장이든 컨트롤러가 필요하다.
2. BLDC MOTOR DRIVER
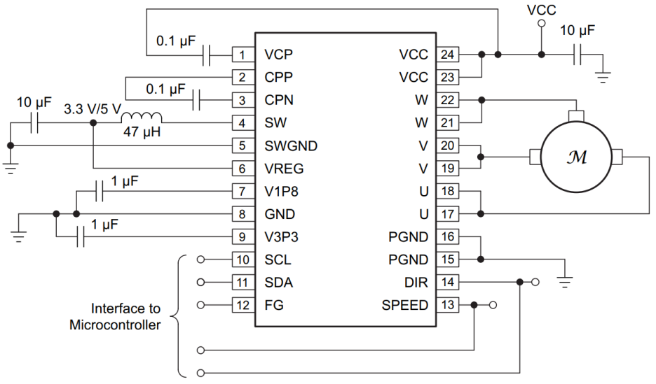
(1) Sensorless BLDC Motor Driver(DRV10983)
- 센서리스 BLDC Motor Driver(센서 결선 필요 없음)
- 최대 2A(peak 3A)
- PWM, 아날로그, I2C로 속도 제어 가능
- 모터 튜닝값을 EEPROM에 저장

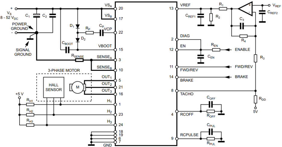
(2) BLDC Motor Driver(L6235PD)
- 최대 2.8A(peak 5.6A)
- 최대 100KHz의 동작 주파수
