|
LED
|
LED(light emitting diode, 발광 다이오드)
|
|
목표
|
LED의 개요와 사용법에 대해 알아봄
|
1. LED(light emitting diode, 발광 다이오드)
발광 다이오드. Ga(갈륨), P(인), As(비소)를 재료로 하여 만들어진 반도체. 다이오드의 특성을 가지고 있으며, 전류를 흐르게 하면 붉은색, 녹색, 노란색, 파란색으로 빛을 발한다. 전구에 비해 수명이 길고 응답 속도(전류가 흘러서 빛을 발하기까지의 시간)가 빠르고 소형화가 가능하며 다양한 모양으로 만들 수 있다.
반도체를 이용한 PN 접합이라고 불리는 구조로 만들어져 있다. 발광은 PN 접합에서 전자가 가지는 에너지가 직접 빛 에너지로 변환되기 때문에 거시적으로 열이나 운동에너지를 필요로 하지 않는다. 전극으로부터 반도체에 주입된 전자와 양공은 다른 에너지띠 (전도띠나 원자가띠)를 흘러 PN 접합부 부근에서 띠틈을 넘어 재결합한다. 재결합할 때 거의 띠틈에 상당한 에너지가 광자, 즉 빛으로 방출된다.
이 과정에서 사용하는 원소를 다르게 하면 방출되는 에너지의 양이 달라지는데 이러한 에너지의 양의 차이에 따라 빛의 파장의 길이가 결정되고 다른 색을 낼 수 있게 된다. 빨간색은 주로 GaAs를, 초록색과 파란색은 주로 GaN(Ga, N)를 기반으로 한다. 초록색은 GaP로 만들지만 실제로는 GaN에 Al이나 In 등의 도핑을 다르게 해서 사용하는 경우가 많다. 셋 다 인듐 등의 원소 첨가량을 바꾸며 밴드 갭을 조절한다. 적외선이나 자외선을 내는 LED도 있는데, 적외선은 AlGaAs, 자외선은 무색투명한 탄소로 만들 수 있다.

2. Specifications
(1) 1608 size SMD 빨강색 LED
- IF=5mA가 흐를때 LED에 걸리는 VF=1.85V이다.

(2) 1608 size SMD 파란색 LED
- IF=5mA가 흐를때 LED에 걸리는 VF=2.9V이다.

(3) Power LED
- IF=300mA가 흐를때 LED에 걸리는 VF=3.2V이다.
- Maximum Ratings가 있더라도 주변 환경(온도 및 방열)에 따라 사용 조건은 바뀔 수 있으며, Maximum Ratings에 가깝게 사용 할 수록 LED 수명이 단축 된다.

3. 회로 구성 및 설명
(1) 저항으로 전류 제한
- 왼쪽 1608 size SMD 빨강색 LED에 흐르는 전류 = (3.3V(VCC) - 1.85V(VF)) / 330ohm = 4.4mA
- 오른쪽 1608 size SMD 파란색 LED에 흐르는 전류 = (24V(VCC) - 2.9V(VF)) / 4.7kohm = 4.5mA
종종 파란색 LED가 빨강색 LED보다 전류를 적게 먹어서 전류 제한 저항값이 커지는 것으로 알고있는데, 정확히는 VF가 다르기 때문이다.

(2) 정전류 LED Driver IC 사용(DW8501)
- Maximum Ratings & Electrical Characteristics

- 1.5A까지 정전류 드라이브가 가능하며, 2번 RS 핀의 저항값으로 정전류 제한 할 수 있으며 전류 계산식은 아래와 같다.
Iout [mA] = (610[mV]/Rset[ohm]) X 1000
- 회로 구성 및 설명

Iout [mA] = (610[mV]/10k[ohm]) X 1000 = 61mA
- 위 회로는 5번 OUT 핀으로 최대 61mA 전류를 내보낼 수 있다.
- 4번 EN 핀에 PWM 제어하여 LED 밝기 제어가 가능하다.
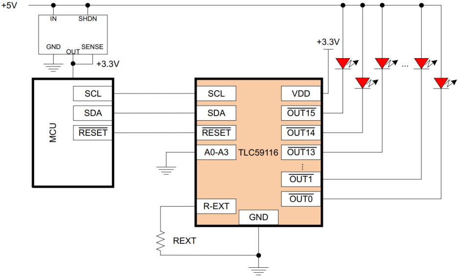
(3) 정전류 LED Driver IC 사용(TLC59116)
- 16 channel I2C 정전류 LED Sink Driver
- 1 channel 전류 120mA
- IC 전류 1.92A(0.12A * 16channel = 1.92A)
- 최대 14개의 TLC59116 연결 가능(SWRST I 2C bus address 1101 011 reserved)
- No Glitch on Power-Up(다른건 있다는 얘긴가..)

'전자 부품 > LED' 카테고리의 다른 글
| LED(SPI 방식 RGB LED) 및 제어 회로 (0) | 2025.03.16 |
|---|